HSG系列工程液压缸
本系列液压缸具有结构简单、工作可靠、装拆方便、易于维修,可带缓冲装置及安装型式多样等特点,适用于工程机械、起重、运输机械及矿山机械的液压传动。工作压力16MPa,缸径40~250mm。
![]() |
规格/技术参数
|
||||||||||||||||||||||||||||||||||||||||||||||||||||||||||||||||||||||||||||||||||||||||||||||||||||||||||||||||||||||||||||||||||||||||||||||||||||||||||||||||||||||||||||||||||||||||||||||||||||||||||||||||||||||||||||||||||||||||||

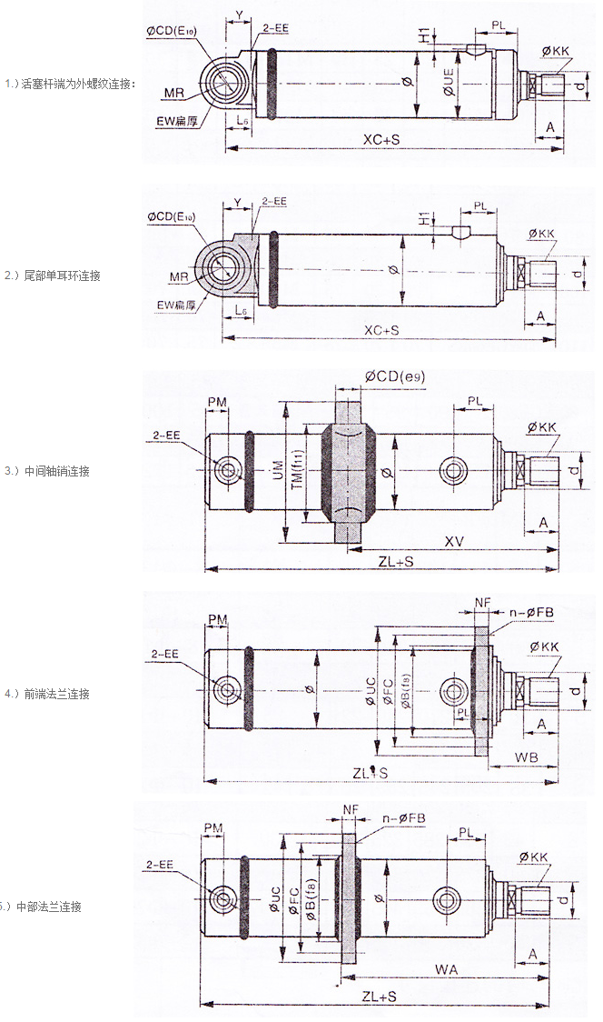
活塞杆端为外螺纹连接
|
活塞杆端为外螺纹连接的尺寸表
缸径D |
Φ
|
d
|
ΦCD(E10)
|
EW
|
MR
|
L6
|
ΦKK
|
A
|
Y
|
PL
|
XC
|
EE
|
H1
|
ΦUE
|
||
速比Φ
|
||||||||||||||||
1.33
|
1.46
|
2
|
||||||||||||||
40
|
57
|
20
|
22
|
*25
|
20或GE20ES
|
25
|
25
|
30
|
M16×1.5
|
30
|
30
|
65
|
225+S
|
M14×1.5
|
15
|
65
|
50
|
68
|
25
|
28
|
*32
|
30或GE30ES
|
35
|
35
|
40
|
M16×1.5
|
35
|
40
|
65
|
243+S
|
M18×1.5
|
15
|
75
|
63
|
83
|
32
|
35
|
45
|
30或GE30ES
|
35
|
35
|
40
|
M27×1.5
|
40
|
40
|
40
|
258+S
|
M18×1.5
|
15
|
90
|
80
|
102
|
40
|
45
|
55
|
40或GE40ES
|
45
|
45
|
50
|
M33×1.5
|
45
|
50
|
75 |
300+s
|
M22×1.5
|
18
|
110
|
90
|
114
|
45
|
50
|
63
|
40或GE40ES
|
45
|
45
|
50
|
M36×2
|
45
|
50
|
66 |
305+s |
M22×1.5
|
18
|
|
100
|
127
|
50
|
55
|
70
|
50或GE50ES
|
60
|
60
|
60
|
M42×2
|
50
|
60
|
72 |
340+s |
M27×2
|
20
|
|
110
|
140
|
55
|
63
|
80
|
50或GE50ES
|
60
|
60
|
60
|
M48×2
|
55
|
60
|
77 |
360+s |
M27×2
|
20
|
|
125
|
152
|
63
|
70
|
90
|
50或GE50ES
|
60
|
60
|
60
|
M52×2
|
60
|
60
|
78
|
370+s
|
M27×2
|
20
|
|
140
|
168
|
70
|
80
|
100
|
60或GE60ES
|
70
|
70
|
70
|
M60×2
|
65
|
70
|
85 |
405+s |
M27×2
|
20
|
|
150
|
180
|
75
|
85
|
105
|
60或GE60ES
|
70
|
70
|
75
|
M64×2
|
70
|
75
|
92 |
420+s |
M33×2
|
22
|
|
160
|
194
|
80
|
90
|
110
|
60或GE60ES
|
70
|
70
|
70
|
M68×2
|
75
|
70
|
100
|
435+s
|
M33×2
|
22
|
|
180
|
219
|
90
|
100
|
125
|
60或GE60ES
|
80
|
80
|
89
|
M76×3
|
85
|
89
|
107
|
480+s
|
M42×2
|
24
|
|
200
|
245
|
100
|
110
|
140
|
70或GE70ES
|
90
|
95
|
100
|
M85×3
|
95
|
100
|
110
|
510+s
|
M42×2
|
24
|
|
220
|
273
|
110
|
125
|
160
|
90或GE90ES
|
100
|
105
|
110
|
M95×3
|
105
|
110
|
120
|
560+s
|
M42×2
|
25
|
|
250
|
299
|
125
|
140
|
180
|
100或GE100ES
|
110
|
120
|
122
|
M105×3
|
115
|
120
|
135
|
614+s
|
M42×2
|
25
|
|
缸径D
|
ΦTM
|
UM
|
ZL
|
PM
|
ΦB
|
ΦFC
|
ΦUC
|
NF
|
WB
|
n-ΦFB
|
XV
|
WA
|
S
|
80
|
125
|
185
|
275+S
|
25
|
115
|
145
|
175
|
20
|
81
|
8-Φ13.5
|
>215<160+S
|
>200<190+S
|
55
|
90
|
140
|
200
|
280+S |
25
|
130
|
160
|
190
|
20
|
82 |
8-Φ13.5
|
>225<165+S
|
>210<195+S
|
60
|
100
|
155
|
230
|
310+S |
30
|
145
|
180
|
210
|
20
|
20
|
在线订购
/ Order online






