|
|
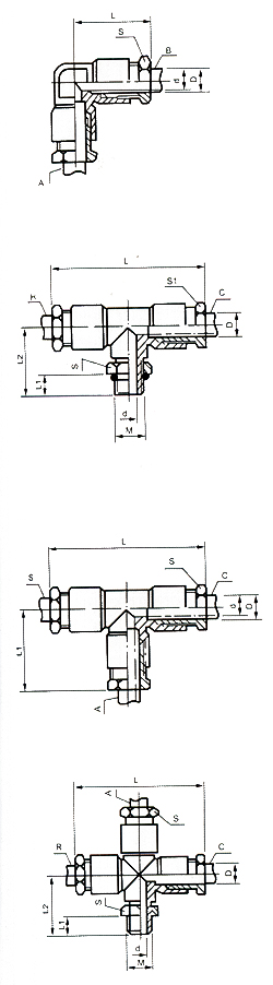
●卡套式直通管接头
|
型号规格
|
公称通径d
|
接管外径口
|
S
|
L
|
|
JT-Z3
|
3
|
4
|
10
|
23
|
|
JT-Z4
|
4
|
6
|
12
|
26
|
|
JT-Z6
|
6
|
8
|
14
|
27
|
|
JT-Z8
|
8
|
10
|
17
|
30
|
|
JT-Z10
|
10
|
12
|
19
|
35
|
|
JT-Z15
|
15
|
18
|
24
|
37
|
|
JT-Z20
|
20
|
22
|
27
|
41
|
|
JT-Z25
|
25
|
28
|
36
|
45
|
●卡套式三通终端管接头
|
型号规格
|
公称通径d
|
接管外径口
|
接口螺纹M
|
S
|
S1
|
L
|
L1
|
L2
|
|
JT-3T-Z3
|
3
|
4
|
M6
|
12
|
10
|
46
|
6
|
6
|
|
JT-3T-Z4
|
4
|
6
|
M8×1
|
14
|
12
|
52
|
6
|
6
|
|
JT-3T-Z6
|
6
|
8
|
M10×1
|
G1/8
|
ZG1/8
|
17
|
14
|
60
|
7
|
7
|
|
JT-3T-Z8
|
8
|
10
|
M12×1.25
|
G1/4
|
ZG1/4
|
19
|
17
|
64
|
9
|
9
|
|
JT-3T-Z10
|
10
|
12
|
M16×1.5
|
G3/8
|
ZG3/8
|
22
|
19
|
74
|
11
|
11
|
|
JT-3T-Z15
|
15
|
18
|
M20×1.5
|
G1/2
|
ZG1/2
|
27
|
24
|
92
|
14
|
14
|
|
JT-3T-Z20
|
20
|
22
|
M27×2
|
G3/4
|
ZG3/4
|
32
|
27
|
110
|
16
|
16
|
|
JT-3T-Z25
|
25
|
28
|
M33×2
|
G1
|
ZG1
|
41
|
36
|
120
|
18
|
18
|
●卡套式三通管接头
|
型号规格
|
公称通径d
|
接管外径口
|
S
|
L
|
L1
|
|
JT-3T-Z3
|
3
|
4
|
10
|
46
|
12
|
|
JT-3T-Z4
|
4
|
6
|
12
|
52
|
13
|
|
JT-3T-Z6
|
6
|
8
|
14
|
60
|
14
|
|
JT-3T-Z8
|
8
|
10
|
17
|
64
|
14
|
|
JT-3T-Z10
|
10
|
12
|
19
|
74
|
16
|
|
JT-3T-Z15
|
15
|
18
|
24
|
92
|
18
|
|
JT-3T-Z20
|
20
|
22
|
27
|
110
|
20
|
|
JT-3T-Z25
|
25
|
28
|
36
|
120
|
22
|
●卡套式四通终端管接头
|
型号规格
|
公称通径d
|
接管外径口
|
接口螺纹M
|
S
|
S1
|
L
|
L1
|
L2
|
|
JT-4T-Z3
|
3
|
4
|
M6
|
12
|
10
|
46
|
6
|
23
|
|
JT-4T-Z4
|
4
|
6
|
M8×1
|
14
|
12
|
52
|
6
|
25
|
|
JT-4T-Z6
|
6
|
8
|
M10×1
|
G1/8
|
ZG1/8
|
17
|
14
|
60
|
7
|
29
|
|
JT-4T-Z8
|
8
|
10
|
M12×1.25
|
G1/4
|
ZG1/4
|
19
|
17
|
64
|
9
|
32
|
|
JT-4T-Z10
|
10
|
12
|
M16×1.5
|
G3/8
|
ZG3/8
|
22
|
19
|
74
|
11
|
38
|
|
JT-4TT-Z15
|
15
|
18
|
M20×1.5
|
G1/2
|
ZG1/2
|
27
|
24
|
92
|
14
|
41
|
|
JT-4T-Z20
|
20
|
22
|
M27×2
|
G3/4
|
ZG3/4
|
32
|
27
|
110
|
16
|
45
|
|
JT-4T-Z25
|
25
|
28
|
M33×2
|
G1
|
ZG1
|
41
|
36
|
120
|
18
|
50
|
|
|