|
|
| ●尺寸表 |
|
缸径
|
A
|
B
|
KK
|
MM
|
BB
|
DD
|
E
|
EE
|
F
|
FP
|
H
|
J
|
K
|
LF
|
P
|
RR
|
W
|
ZI
|
|
φ40
|
22
|
φ36
|
M18×1.5
|
φ20
|
11
|
M10×1.25
|
□65
|
G3/8
|
11
|
41
|
78
|
45
|
28
|
162
|
108
|
□45
|
30
|
19-2
|
|
φ50
|
25
|
φ40
|
M20×1.5
|
φ25
|
11
|
M20×1.25
|
□76
|
G1/2
|
13
|
47
|
78
|
49
|
28
|
168
|
108
|
□52
|
30
|
198
|
|
φ63
|
32
|
φ48
|
M27×2
|
φ32
|
13
|
M12×1.5
|
□90
|
G1/2
|
15
|
51
|
88
|
51
|
28
|
182
|
118
|
□63
|
35
|
217
|
|
φ80
|
36
|
φ55
|
M30×2
|
φ40
|
16
|
M16×1.5
|
□110
|
G3/4
|
18
|
61
|
88
|
61
|
38
|
205
|
124
|
□80
|
35
|
240
|
|
φ100
|
36
|
φ55
|
M30×2
|
φ40
|
18
|
M18×1.5
|
□135
|
G3/4
|
20
|
63
|
88
|
63
|
38
|
207
|
124
|
□102
|
40
|
247
|
|
| 注:图示中①-管节口 ②-可调节流阀 ③、④-单向阀 |
|
|
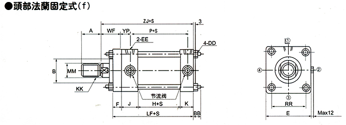
| ●尺寸表 |
|
缸径
|
A
|
B
|
KK
|
MM
|
BB
|
E
|
EE
|
EF
|
F
|
FB
|
LF
|
R
|
K
|
TF
|
UF
|
W
|
WF
|
YP
|
|
φ40
|
22
|
φ36
|
M18×1.5
|
φ20
|
11
|
□65
|
G3/8"
|
69
|
11
|
φ14
|
162
|
46
|
28
|
95
|
118
|
30
|
41
|
30
|
|
φ50
|
25
|
φ40
|
M20×1.5
|
φ25
|
11
|
□76
|
G1/2"
|
85
|
13
|
φ14
|
168
|
58
|
28
|
115
|
145
|
30
|
43
|
34
|
|
φ63
|
32
|
φ48
|
M27×2
|
φ32
|
13
|
□90
|
G1/2"
|
98
|
15
|
φ18
|
186
|
65
|
28
|
132
|
165
|
35
|
50
|
36
|
|
φ80
|
36
|
φ55
|
M30×2
|
φ40
|
16
|
□110
|
G3/4"
|
118
|
18
|
φ18
|
205
|
87
|
38
|
155
|
190
|
35
|
53
|
43
|
|
φ100
|
36
|
φ55
|
M30×2
|
φ40
|
18
|
□135
|
G3/4"
|
150
|
20
|
φ22
|
207
|
109
|
38
|
190
|
230
|
40
|
60
|
43
|
|